首页 -新闻资讯 -美国NCR使用DFA进行产品设计获得巨大收益

新闻资讯

美国NCR使用DFA进行产品设计获得巨大收益

发布时间:2021-11-23作者来源:科理咨询浏览:1990


1988年,美国NCR公司在销售终端系统上采用DFA进行产品重新设计,新一代名为2760的产品与上一代产品相比,该产品及其相关制造工艺实现了以下收益:

供应商减少65%

装配时间减少75%,装配工具减少100%

零件减少85%(螺钉减少100%)

劳动成本下降44%

显然,这些数字意义重大;在库存、现场服务、厂房面积、生产支持成本和资本设备等方面,预计将有更大的节省。例如,工具开发直接从设计阶段发展到硬(钢)模具,而不是使用软(铝)模具的典型中间步骤。产品项目经理斯拉格指出,最初的模具只需要稍作修改。此外,2760的测试和引入期也非常顺利。它在[敏感词]次测试时就通过了诸如电磁干扰排放之类的困难测试。斯普拉格说: “NCR剑桥有一个主要的JIT(准时化生产)项目正在进行中,2760终端的设计考虑到了生产的便捷性。”


图片   产品的设计过程

NCR使用多个任务组和企业协助的试点项目来探索DFA的工具和策略。2760在1987年1月作为这样一个项目开始了。机械设计于1987年10月完成,预计11月将进行商业推广。斯普拉格是该项目的项目经理,项目重点是机械部分的设计。

斯普拉格评论道:“美国工业界终于认识到,DFA是一种领导战略。但是,要使它取得重大成果,首先必须克服两个障碍:在组织中实施重大的自然变化(并获得认可);将基于计算机的工具和设计过程的变化混合在适当的组合中,以优化开发工作。

所有精明的组织都意识到,成功来自于员工的技能和经验。困难在于如何让合适的人,在合适的结构中,使用合适的工具,[敏感词]限度地提高结果。

斯普拉格反应: “我们成立了一个多学科团队,同时为2760终端设计产品和制造工艺,约翰和我起草了项目计划,然后与制造总监和工程总监充分交流,确保所有的期望和计划都是一致的。”

然后,他们制定了一个高水平的目标,即在原型开发和生产之前,将高质量的产品和制造工艺设计落实到位。他们主要衡量指标是满足进度和成本目标,[敏感词]限度地减少装配时间和零件数量。所有其他好处和衡量标准都是从这些高水平目标和基本衡量标准中得出的。从产品设计、客户服务、制造工程、测试工程、产品管理、工业设计、质量工程、采购、供应商质量、安全工程、EMI工程、项目管理和人为因素等方面邀请团队成员。关键供应商也被纳入共同命运供应商关系的一部分。例如,塑料成型供应商和模具制造商早期被选中加入这个团队,以利用他们的成型和模具制造知识。供应商还必须遵守NCR的JIT和SPC程序,并有能力接受CAD文件传输,这有助于减少模具报价和交付时间。

每周召开团队会议,主要成员之间的互动更加频繁。此外,还介绍了DFA的工作原理,并分发了成功应用程序的示例。

每个成员都应制定与其专业领域相关的目标。在硬设计开始之前,这些目标与小组共享,以促进对可制造性、可测试性和可服务性的真正理解。

团队追求的设计解决方案满足或超过了所有目标,坚决抵制妥协。一种并行方法允许同时开发产品设计和制造过程,这允许在进行更改时在两者之间进行权衡。这是试验项目成功的关键。

 “预防与应急”计划有助于在设计仍处于CAD系统而不是测试/原型阶段时隔离问题并指出解决方案。团队成员公开分享进度和问题报告,最终在发布设计之前达成共识。这就创建了多组织设计所有权,所有成员都负责实现团队的目标。例如,在接受2760的可制造性时,制造工程师与产品工程师(以及团队的其他成员)共享。他们预先确定了设计的期望值,而不是等待审查。

斯普拉格回忆说: “项目期间的一个重要任务是提高团队成员的技能,在项目开始时,使用SDRC的Geomod Solids Modeler和DFA工具包软件举办了课程。约翰和我提供了后续培训和帮助。”


图片   新产品2760介绍


图片

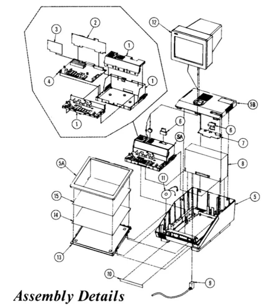
(上图是2760终端的爆炸图)

单独的子部件是和电子盒(1)“卡接在一起”,电子盒(1)其中包含三个卡扣和[敏感词]式PCB板(2、3、4)。

塑料终端柜底座(5)与金属板电子盒一样,作为NCR剑桥JIT计划的一部分由供应商组装好送到生产车间,将挡板(5a)和顶部(5b)从机柜底座上拆下,开始组装过程。

单独的线束(6)[敏感词]PCB板(7),然后卡入机柜顶部(5b)。

电源(8)从NCR位于佛罗里达州奥兰多的事业部购买。它可以处理11个IOV或220伏电源,内部传感功能消除了开关或多个电源组件的需要。它还包含2760的冷却风扇。电源只需安装在柜体底座上,柜体顶部在背面卡接。

转到终端的侧面,以便将交流电源线(9)[敏感词]机柜底座和电源,并将其卡入底座中的应变消除卡舌中。然后转到终端的背面来粘贴标签,标签包含序列号、许可证和产品信息。将终端垂直放置,以便滑入电子箱总成(SA),该总成与电源连接,并卡入柜体底座将其固定到位。

扬声器(1 1)滑入橱柜底座中的支撑架中进行卡接,然后[敏感词]电子设备盒。机柜顶部PCB板(7)上的线束(6)也[敏感词]电子设备盒。

CRT(12)电缆穿过机柜顶部的一个孔,然后CRT轴滑过该孔并扭转四分之一圈以将CRT卡入到位。然后,CRT连接器[敏感词]电子设备盒。CRT和扬声器与其他NCR终端产品相同。

键盘(13)安装在柜体前部,向上滑动与柜体顶部的PCB板配合,并将其卡入到位。一个键盘透明膜(14)和聚酯薄膜盖(15)滑入键盘(13)的卡槽中,然后柜子边框卡回原位以固定它们。

2760总成只需要15个供应商采购的零件,不使用单独的紧固件。终端柜有许多可拆卸的卡入式装饰框,以方便定制。

版权所有:科理咨询(深圳)股份有限公司 粤ICP备10082873号-1 | 服务热线:0755-26993418
想了解精益生产咨询公司,课程,培训,管理,方案,方法,内训请联系我们.